



Nový




Penn Elcom LG-2472 dvierkový uzáver zamykací
9,41€
Bez DPH: 7,65€
- Skladová dostupnosť: Na sklade
- Model: Penn L2472
- Hmotnosť: 0.20kg
- SKU: 4348
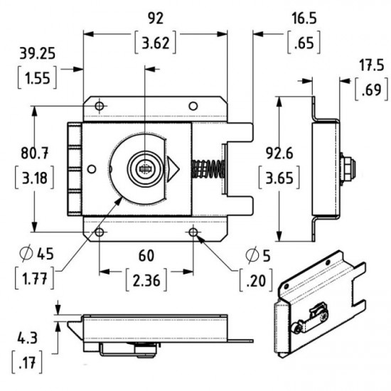
Penn Elcom dvierkový uzáver L2472
Uzamykateľná zatváracia západka pre systém zatváracích deklov s úchytkami na zavesenie veka na bok kufra. Jednoduchá montáž - Vyvŕtajte alebo vyfrézujte otvor pre prst a pripevnite zatváraciu západku zarovnanú s vnútornou stranou veka. Na uvoľnenie veka vložte prst, uvoľnite západku a stiahnite veko. Pre profesionálny a bezchybný vzhľad použite kryciu dosku L2470-2/MBZ. Možno použiť s profilom E0490, rohom C0675/30 a háčikom P2472.
- dvierkový uzáver zacvakávací zamykateľný kĺúčikom
- jednoduchá montáž
- povrchová úprava - zinok
Opýtajte sa otázku na produkt
